Гидромотор-редуктор ГМР.900-2.000

Характеристики

Максимальная радиальная нагрузка на хвостовик вала – 25 кН

Минимальная частота вращения – 2 об/мин

Давление управления переключением диапазонов – 1,6…4,0 МПа

ГМР.900-2.320

  • Рабочий объём: 1600 л/об. (1 диап.), 320 л/об. (2 диап.)
  • Номинальный крутящий момент: 4,4 кН·м (1 диап.), 0,91 кН·м (2 диап.)
  • Номинальная частота вращения вала: 72 об/мин (1 диап.), 320 об/мин (2 диап.)
  • Номинальный перепад давления: 20 МПа
  • Длина L: 605 мм
  • Масса: 68 кг

ГМР.900-2.400

  • Рабочий объём: 2000 л/об. (1 диап.), 400 л/об. (2 диап.)
  • Номинальный крутящий момент: 5,3 кН·м (1 диап.), 1,1 кН·м (2 диап.)
  • Номинальная частота вращения вала: 56 об/мин (1 диап.), 280 об/мин (2 диап.)
  • Номинальный перепад давления: 20 МПа
  • Длина L: 624 мм
  • Масса: 69 кг

ГМР.900-2.500

  • Рабочий объём: 2500 л/об. (1 диап.), 500 л/об. (2 диап.)
  • Номинальный крутящий момент: 6,7 кН·м (1 диап.), 1,4 кН·м (2 диап.)
  • Номинальная частота вращения вала: 46 об/мин (1 диап.), 230 об/мин (2 диап.)
  • Номинальный перепад давления: 20 МПа
  • Длина L: 639 мм
  • Масса: 71 кг

ГМР.900-2.630

  • Рабочий объём: 3150 л/об. (1 диап.), 630 л/об. (2 диап.)
  • Номинальный крутящий момент: 8,6 кН·м (1 диап.), 1,8 кН·м (2 диап.)
  • Номинальная частота вращения вала: 36 об/мин (1 диап.), 180 об/мин (2 диап.)
  • Номинальный перепад давления: 20 МПа
  • Длина L: 656 мм
  • Масса: 74 кг

ГМР.900-2.800

  • Рабочий объём: 4000 л/об. (1 диап.), 800 л/об. (2 диап.)
  • Номинальный крутящий момент: 10,5 кН·м (1 диап.), 2,2 кН·м (2 диап.)
  • Номинальная частота вращения вала: 28 об/мин (1 диап.), 140 об/мин (2 диап.)
  • Номинальный перепад давления: 20 МПа
  • Длина L: 673 мм
  • Масса: 76 кг

Размеры

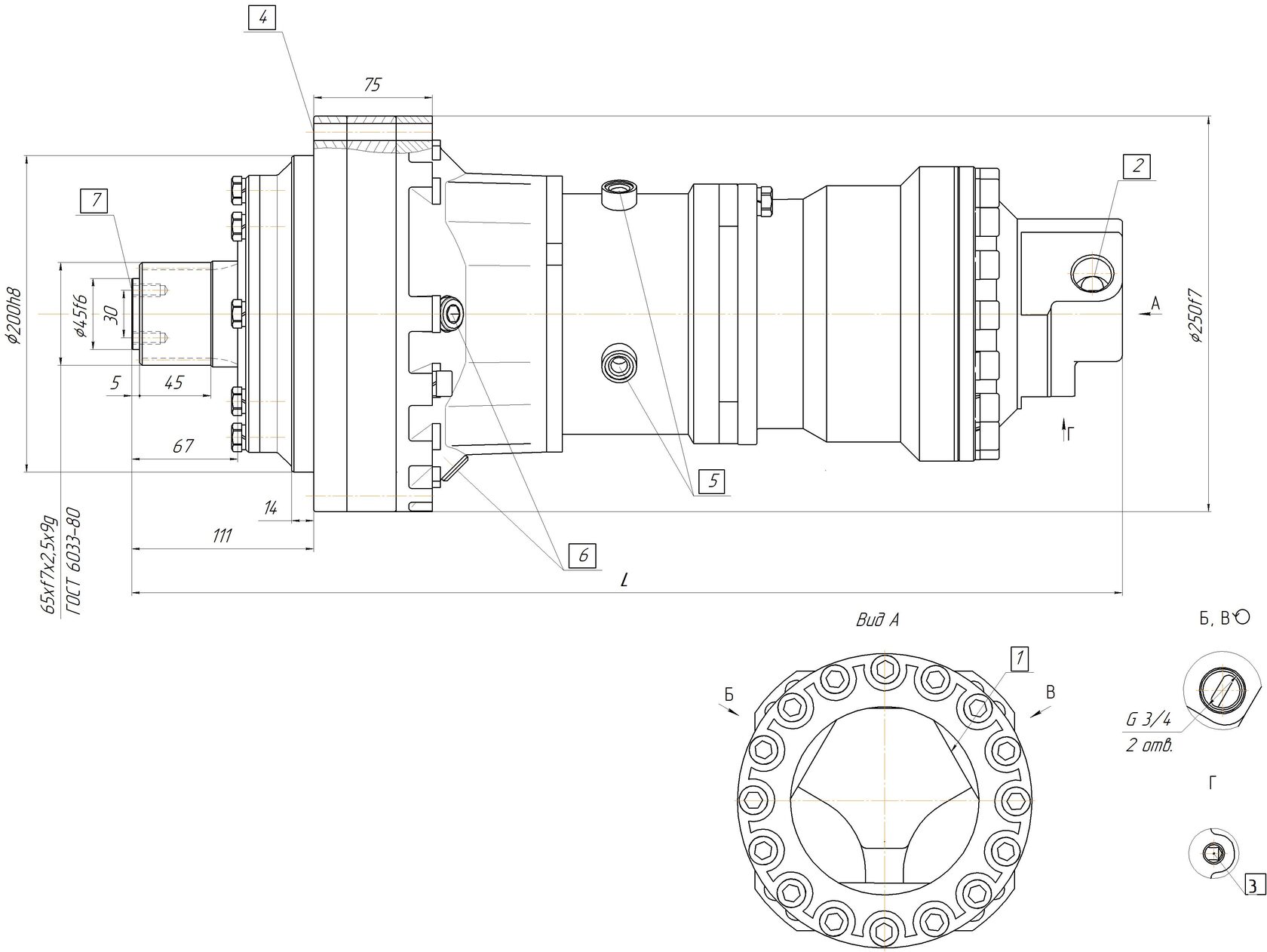
Габаритные и присоединительные размеры

Габаритные и присоединительные размеры

1,2 — основные ввод/вывод гидромотора – 2 отв. G 3/4";

3 — дренаж гидромотора G 1/4";

4 — отв. крепления ГМР к раме — 8 отв.ф12,5 на ф230;

5 — отв. управления переключением диапазонов G 1/4"-2 шт.;

6 – отверстия крепления шестерни – 2 отв. М8 на глубину 18мм.

Наличие

249010, Калужская область, Боровский район, г.Боровск, ул. Московская, д.30, стр.15

Как купить

Для покупки товара в нашем интернет-магазине выберите интересующую позицию и нажмите кнопку «Связаться с нами».

В открывшейся форме укажите:

  • имя,
  • адрес электронной почты,
  • контактный телефон.

После получения заявки наш менеджер свяжется с вами в ближайшее время, уточнит детали заказа, ответит на вопросы, согласует условия оплаты и доставки. Уточнить наличие можно по номеру телефона 8 (800) 201-56-08.

Как купить

Доставка

Доставка осуществляется через транспортные компании по согласованию.

Мы организуем отправку в любой город России, обслуживаемый федеральными логистическими операторами.
Для грузов весом до 30 кг доступна доставка через СДЭК.
Более крупные отправления передаются федеральным перевозчикам сборных грузов.
Вы можете выбрать удобную для вас транспортную компанию.

Документация

Вы можете скачать техническую документацию на гидромотор-редуктор в формате PDF.

Скачать документацию (PDF)

Гарантия

Предприятие-изготовитель гарантирует исправность гидромотор-редуктора в течение 12-ти месяцев при наработке, не превышающей 1000 моточасов.

Связаться с нами