Гидромотор-редуктор ГМР.2000.000

Характеристики

Максимальная радиальная нагрузка на хвостовик вала – 100 кН

Максимальная осевая нагрузка – 150 кН

Минимальная частота вращения – 2 об/мин

ГМР.2000.800

  • Рабочий объём: 4 л/об.
  • Максимальный крутящий момент: 16,5 кН·м
  • Номинальный крутящий момент: 11,5 кН·м
  • Номинальная частота вращения вала: 55 об/мин
  • Номинальный перепад давления: 21 МПа
  • Масса: 146 кг
  • Длина L: 710 мм

ГМР.2000.1000

  • Рабочий объём: 5 л/об.
  • Максимальный крутящий момент: 20,5 кН·м
  • Номинальный крутящий момент: 14,25 кН·м
  • Номинальная частота вращения вала: 45 об/мин
  • Номинальный перепад давления: 21 МПа
  • Масса: 149 кг
  • Длина L: 720 мм

ГМР.2000.1250

  • Рабочий объём: 6.25 л/об.
  • Максимальный крутящий момент: 25 кН·м
  • Номинальный крутящий момент: 17,6 кН·м
  • Номинальная частота вращения вала: 35 об/мин
  • Номинальный перепад давления: 21 МПа
  • Масса: 162 кг
  • Длина L: 735 мм

ГМР.2000.1600

  • Рабочий объём: 8 л/об.
  • Максимальный крутящий момент: 31,5 кН·м
  • Номинальный крутящий момент: 22 кН·м
  • Номинальная частота вращения вала: 28 об/мин
  • Номинальный перепад давления: 21 МПа
  • Масса: 168 кг
  • Длина L: 750 мм

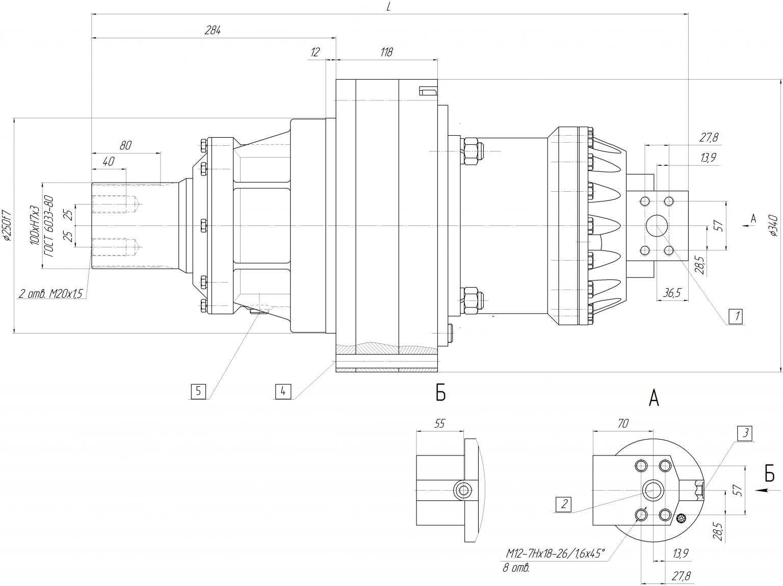
Размеры

Габаритные и присоединительные размеры

Габаритные и присоединительные размеры

1,2 — основные ввод/вывод гидромотора – 2 отв. ф25;

3 — дренаж гидромотора G 1/4";

4 — отв. крепления ГМР ф17 — 8 отв. на ф315;

5 – пробки контроля, слива и заправки масла в редуктор;

Наличие

249010, Калужская область, Боровский район, г.Боровск, ул. Московская, д.30, стр.15

Как купить

Для покупки товара в нашем интернет-магазине выберите интересующую позицию и нажмите кнопку «Связаться с нами».

В открывшейся форме укажите:

  • имя,
  • адрес электронной почты,
  • контактный телефон.

После получения заявки наш менеджер свяжется с вами в ближайшее время, уточнит детали заказа, ответит на вопросы, согласует условия оплаты и доставки. Уточнить наличие можно по номеру телефона 8 (800) 201-56-08.

Как купить

Доставка

Доставка осуществляется через транспортные компании по согласованию.

Мы организуем отправку в любой город России, обслуживаемый федеральными логистическими операторами.
Для грузов весом до 30 кг доступна доставка через СДЭК.
Более крупные отправления передаются федеральным перевозчикам сборных грузов.
Вы можете выбрать удобную для вас транспортную компанию.

Документация

Вы можете скачать техническую документацию на гидромотор-редуктор в формате PDF.

Скачать документацию (PDF)

Гарантия

Предприятие-изготовитель гарантирует исправность гидромотор-редуктора в течение 12-ти месяцев при наработке, не превышающей 1000 моточасов.

Связаться с нами