Характеристики

М5-40 / ГМР.5001.630

  • Крутящий момент номинальный: 35000 Н·м
  • Частота вращения вала номинальная: 15,8 об/мин
  • Расход масла номинальный: 201,6 л/мин
  • Давление номинальное: 21 МПа
  • Выходной вал: 110х110 мм
  • Высота: 1240 мм
  • Вес: 450 кг

М5-50 / ГМР.5001.800

  • Крутящий момент номинальный: 45000 Н·м
  • Частота вращения вала номинальная: 13,8 об/мин
  • Расход масла номинальный: 224 л/мин
  • Давление номинальное: 21 МПа
  • Выходной вал: 110х110 мм
  • Высота: 1240 мм
  • Вес: 452 кг

М5-60 / ГМР.5001.1000

  • Крутящий момент номинальный: 55000 Н·м
  • Частота вращения вала номинальная: 10,5 об/мин
  • Расход масла номинальный: 210 л/мин
  • Давление номинальное: 21 МПа
  • Выходной вал: 110х110 мм
  • Высота: 1240 мм
  • Вес: 455 кг

М5-75 / ГМР.5001.1250

  • Крутящий момент номинальный: 70000 Н·м
  • Частота вращения вала номинальная: 8,9 об/мин
  • Расход масла номинальный: 225 л/мин
  • Давление номинальное: 21 МПа
  • Выходной вал: 110х110 мм
  • Высота: 1240 мм
  • Вес: 460 кг

М5-100 / ГМР.5001.1600

  • Крутящий момент номинальный: 90000 Н·м
  • Частота вращения вала номинальная: 6,9 об/мин
  • Расход масла номинальный: 224 л/мин
  • Давление номинальное: 21 МПа
  • Выходной вал: 110х110 мм
  • Высота: 1240 мм
  • Вес: 465 кг

Размеры

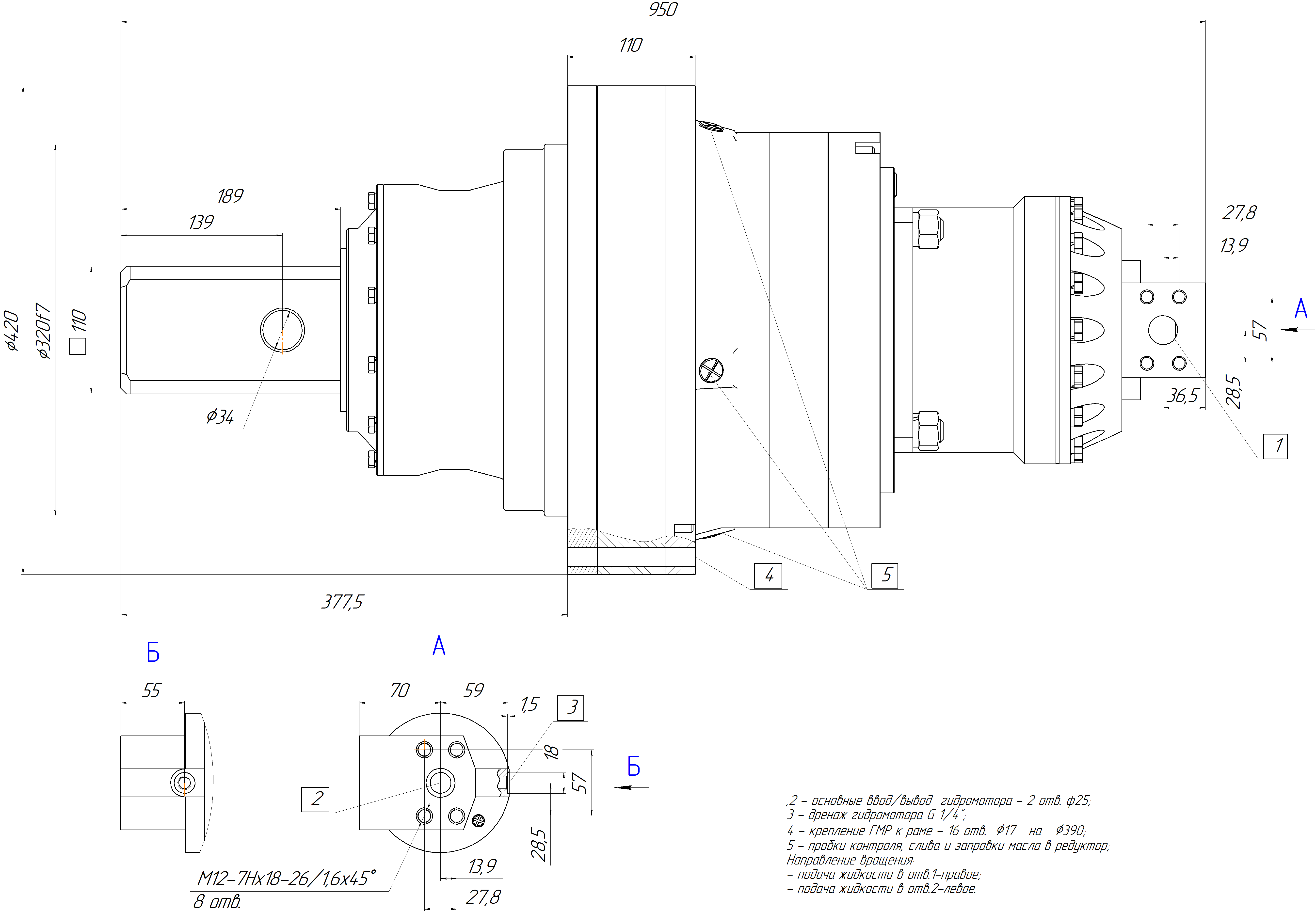
Габаритные и присоединительные размеры ГМР.5001

Габаритные и присоединительные размеры

1,2 – Основные вход/выход гидромотора – 2 отв. Ø25;

3 – Дренаж гидромотора G 1/4”;

4 – Крепление ГМП к раме – 16 отв. Ø17 на Ø390;

5 – Пробки контроля, слива и заправки масла в редуктор;

Направление вращения:

- Подача жидкости в отв.1 – правое;

- Подача жидкости в отв.2 – левое.

Наличие

249010, Калужская область, Боровский район, г.Боровск, ул. Московская, д.30, стр.15

Как купить

Для покупки товара в нашем интернет-магазине выберите интересующую позицию и нажмите кнопку «Связаться с нами».

В открывшейся форме укажите:

  • имя,
  • адрес электронной почты,
  • контактный телефон.

После получения заявки наш менеджер свяжется с вами в ближайшее время, уточнит детали заказа, ответит на вопросы, согласует условия оплаты и доставки. Уточнить наличие можно по номеру телефона 8 (800) 201-56-08.

Как купить

Доставка

Доставка осуществляется через транспортные компании по согласованию.

Мы организуем отправку в любой город России, обслуживаемый федеральными логистическими операторами.
Для грузов весом до 30 кг доступна доставка через СДЭК.
Более крупные отправления передаются федеральным перевозчикам сборных грузов.
Вы можете выбрать удобную для вас транспортную компанию.

Документация

Вы можете скачать техническую документацию на гидромотор-редуктор в формате PDF.

Скачать документацию (PDF)

Гарантия

Предприятие-изготовитель гарантирует исправность гидромотор-редуктора в течение 12-ти месяцев при наработке, не превышающей 1000 моточасов.

Связаться с нами