Характеристики

Допустимая радиальная нагрузка на вал – 40 кH

Допустимая осевая нагрузка – 50 кН

ТГМ.001.320К

  • Рабочий объём: 320 см³
  • Номинальная частота вращения вала: 360 об/мин
  • Номинальный перепад давления: 20 МПа
  • Максимальное давление на входе: 25 МПа
  • Номинальный крутящий момент: 910 Н·м
  • Масса: ≈47,5 кг
  • Длина L: ≈460 мм

ТГМ.001.400К

  • Рабочий объём: 400 см³
  • Номинальная частота вращения вала: 280 об/мин
  • Номинальный перепад давления: 20 МПа
  • Максимальное давление на входе: 25 МПа
  • Номинальный крутящий момент: 1100 Н·м
  • Масса: ≈49 кг
  • Длина L: ≈470 мм

ТГМ.001.500К

  • Рабочий объём: 500 см³
  • Номинальная частота вращения вала: 230 об/мин
  • Номинальный перепад давления: 20 МПа
  • Максимальное давление на входе: 25 МПа
  • Номинальный крутящий момент: 1400 Н·м
  • Масса: ≈51 кг
  • Длина L: ≈480 мм

ТГМ.001.630К

  • Рабочий объём: 630 см³
  • Номинальная частота вращения вала: 180 об/мин
  • Номинальный перепад давления: 20 МПа
  • Максимальное давление на входе: 25 МПа
  • Номинальный крутящий момент: 1800 Н·м
  • Масса: ≈52 кг
  • Длина L: ≈495 мм

ТГМ.001.800К

  • Рабочий объём: 800 см³
  • Номинальная частота вращения вала: 140 об/мин
  • Номинальный перепад давления: 20 МПа
  • Максимальное давление на входе: 25 МПа
  • Номинальный крутящий момент: 2200 Н·м
  • Масса: ≈54 кг
  • Длина L: ≈510 мм

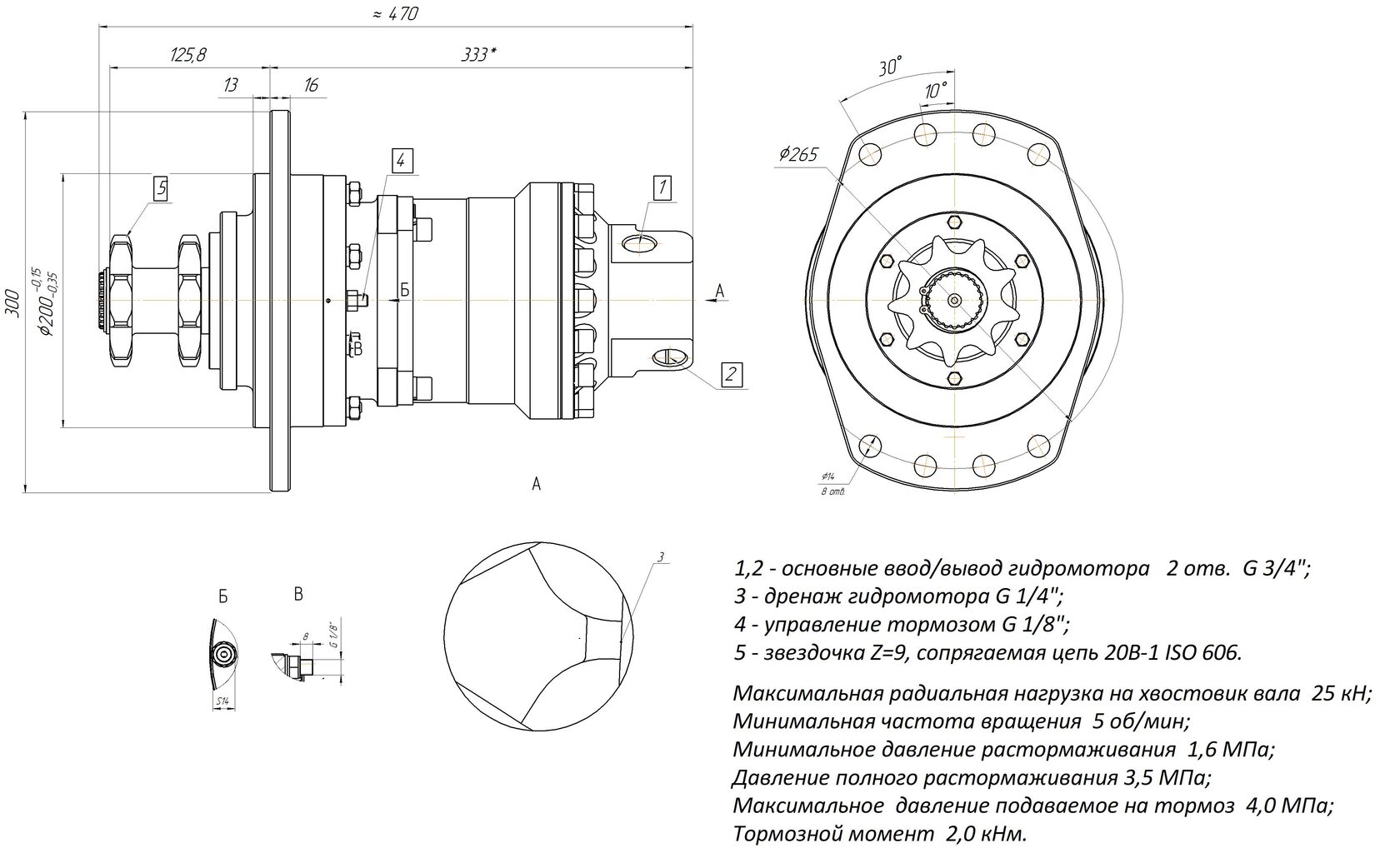
Размеры

Габаритные и присоединительные размеры

Габаритные и присоединительные размеры

Наличие

249010, Калужская область, Боровский район, г.Боровск, ул. Московская, д.30, стр.15

Как купить

Для покупки товара в нашем интернет-магазине выберите интересующую позицию и нажмите кнопку «Связаться с нами».

В открывшейся форме укажите:

  • имя,
  • адрес электронной почты,
  • контактный телефон.

После получения заявки наш менеджер свяжется с вами в ближайшее время, уточнит детали заказа, ответит на вопросы, согласует условия оплаты и доставки. Уточнить наличие можно по номеру телефона 8 (800) 201-56-08.

Как купить

Доставка

Доставка осуществляется через транспортные компании по согласованию.

Мы организуем отправку в любой город России, обслуживаемый федеральными логистическими операторами.
Для грузов весом до 30 кг доступна доставка через СДЭК.
Более крупные отправления передаются федеральным перевозчикам сборных грузов.
Вы можете выбрать удобную для вас транспортную компанию.

Документация

Вы можете скачать техническую документацию на гидромотор-редуктор в формате PDF.

Скачать документацию (PDF)

Гарантия

Предприятие-изготовитель гарантирует исправность гидромотор-редуктора в течение 12-ти месяцев при наработке, не превышающей 1000 моточасов.

Связаться с нами