Характеристики

ТГМ.001.320П

  • Рабочий объем: 320 см³
  • Частота вращения: 360 об/мин
  • Перепад давления: 20 МПа
  • Давление на входе макс.: 25 МПа
  • Крутящий момент: 910 Нм
  • Масса: ≈47,5 кг
  • Длина L: ≈410 мм

ТГМ.001.400П

  • Рабочий объем: 400 см³
  • Частота вращения: 280 об/мин
  • Перепад давления: 20 МПа
  • Давление на входе макс.: 25 МПа
  • Крутящий момент: 1100 Нм
  • Масса: ≈49 кг
  • Длина L: ≈420 мм

ТГМ.001.500П

  • Рабочий объем: 500 см³
  • Частота вращения: 230 об/мин
  • Перепад давления: 20 МПа
  • Давление на входе макс.: 25 МПа
  • Крутящий момент: 1400 Нм
  • Масса: ≈51 кг
  • Длина L: ≈430 мм

ТГМ.001.630П

  • Рабочий объем: 630 см³
  • Частота вращения: 180 об/мин
  • Перепад давления: 20 МПа
  • Давление на входе макс.: 25 МПа
  • Крутящий момент: 1800 Нм
  • Масса: ≈52 кг
  • Длина L: ≈445 мм

ТГМ.001.800П

  • Рабочий объем: 800 см³
  • Частота вращения: 140 об/мин
  • Перепад давления: 20 МПа
  • Давление на входе макс.: 25 МПа
  • Крутящий момент: 2200 Нм
  • Масса: ≈54 кг
  • Длина L: ≈460 мм

Допустимые нагрузки:

Допустимая радиальная нагрузка на вал – 25 кН

Допустимая осевая нагрузка – 25 кН

Параметры тормоза:

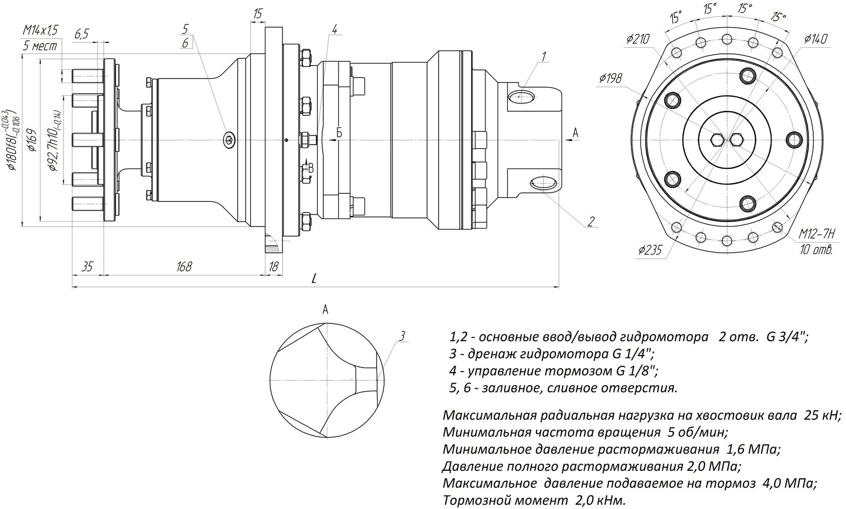
Максимальная радиальная нагрузка на хвостовик вала – 25 кН

Минимальная частота вращения – 5 об/мин

Минимальное давление растормаживания – 1,6 МПа

Давление полного растормаживания – 2,0 МПа

Максимальное давление на тормоз – 4,0 МПа

Тормозной момент – 2,0 кНм

Размеры

Габаритные и присоединительные размеры ТГМ.001 П

Габаритные и присоединительные размеры

1, 2 – основные вход/выход гидромотора – 2 отв. G 3/4";

3 – дренаж гидромотора – G 1/4";

4 – управление тормозом – G 1/8";

5, 6 – заливное и сливное отверстия.

Наличие

249010, Калужская область, Боровский район, г.Боровск, ул. Московская, д.30, стр.15

Как купить

Для покупки товара в нашем интернет-магазине выберите интересующую позицию и нажмите кнопку «Связаться с нами».

В открывшейся форме укажите:

  • имя,
  • адрес электронной почты,
  • контактный телефон.

После получения заявки наш менеджер свяжется с вами в ближайшее время, уточнит детали заказа, ответит на вопросы, согласует условия оплаты и доставки. Уточнить наличие можно по номеру телефона 8 (800) 201-56-08.

Как купить

Доставка

Доставка осуществляется через транспортные компании по согласованию.

Мы организуем отправку в любой город России, обслуживаемый федеральными логистическими операторами.
Для грузов весом до 30 кг доступна доставка через СДЭК.
Более крупные отправления передаются федеральным перевозчикам сборных грузов.
Вы можете выбрать удобную для вас транспортную компанию.

Документация

Вы можете скачать техническую документацию на гидромотор-редуктор в формате PDF.

Скачать документацию (PDF)

Гарантия

Предприятие-изготовитель гарантирует исправность гидромотор-редуктора в течение 12-ти месяцев при наработке, не превышающей 1000 моточасов.

Связаться с нами