Планетарный гидромотор ГВЗ.02-2.000

Характеристики

Допустимая радиальная нагрузка – 25 кН

Допустимая осевая нагрузка – 50 кН

Минимальная частота вращения – 5,0 об/мин

Давление управления переключением диапазонов – 1,6…3,5 МПа

ГВЗ.02-2.630

  • Рабочий объём: 630 см³
  • Номинальная частота вращения вала: 320 об/мин
  • Номинальный перепад давления: 21 МПа
  • Максимальное давление на входе: 30 МПа
  • Номинальный крутящий момент: 1,9 кН·м
  • Масса: 79,3 кг
  • Длина L: 525 мм

ГВЗ.02-2.800

  • Рабочий объём: 800 см³
  • Номинальная частота вращения вала: 280 об/мин
  • Номинальный перепад давления: 21 МПа
  • Максимальное давление на входе: 30 МПа
  • Номинальный крутящий момент: 2,4 кН·м
  • Масса: 81,3 кг
  • Длина L: 535 мм

Размеры

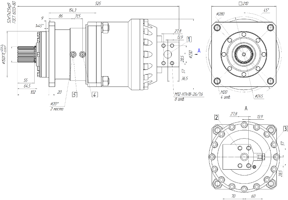
Габаритные и присоединительные размеры ГВЗ.02-2

Габаритные и присоединительные размеры

1, 2 - основные ввод/вывод гидромотора – 2 отв. 26;

- подача в отв.1 – вращение правое;

- подача в отв.2 – вращение левое;

3 - дренаж гидромотора М12-7Н/16-27;

4, 5 - отв. управления переключением диапазонов G 1/4" - 2 шт.;

- подача в отв.4 – вращение включено;

- подача в отв.5 – вращение выключено;

Наличие

249010, Калужская область, Боровский район, г.Боровск, ул. Московская, д.30, стр.15

Как купить

Для покупки товара в нашем интернет-магазине выберите интересующую позицию и нажмите кнопку «Связаться с нами».

В открывшейся форме укажите:

  • имя,
  • адрес электронной почты,
  • контактный телефон.

После получения заявки наш менеджер свяжется с вами в ближайшее время, уточнит детали заказа, ответит на вопросы, согласует условия оплаты и доставки. Уточнить наличие можно по номеру телефона 8 (800) 201-56-08.

Как купить

Доставка

Доставка осуществляется через транспортные компании по согласованию.

Мы организуем отправку в любой город России, обслуживаемый федеральными логистическими операторами.
Для грузов весом до 30 кг доступна доставка через СДЭК.
Более крупные отправления передаются федеральным перевозчикам сборных грузов.
Вы можете выбрать удобную для вас транспортную компанию.

Документация

Вы можете скачать техническую документацию на гидромотор-редуктор в формате PDF.

Скачать документацию (PDF)

Гарантия

Предприятие-изготовитель гарантирует исправность гидромотор-редуктора в течение 12-ти месяцев при наработке, не превышающей 1000 моточасов.

Связаться с нами