Гидромотор-редуктор ГМР.2001.000

Характеристики

ГМР.2001.800

  • Рабочий объем: 4,0 л
  • Частота вращения вала ном.: 16 об/мин
  • Перепад давления ном.: 12 МПа
  • Давление на входе макс.: 70 МПа
  • Крутящий момент ном.: 30 кН·м
  • Масса: 147 кг
  • Длина L: 750 мм

ГМР.2001.1000

  • Рабочий объем: 5,0 л
  • Частота вращения вала ном.: 20 об/мин
  • Перепад давления ном.: 15 МПа
  • Давление на входе макс.: 55 МПа
  • Крутящий момент ном.: 30 кН·м
  • Масса: 150 кг
  • Длина L: 760 мм

ГМР.2001.1250

  • Рабочий объем: 6,25 л
  • Частота вращения вала ном.: 25 об/мин
  • Перепад давления ном.: 18,5 МПа
  • Давление на входе макс.: 45 МПа
  • Крутящий момент ном.: 30 кН·м
  • Масса: 153 кг
  • Длина L: 775 мм

ГМР.2001.1600

  • Рабочий объем: 8,0 л
  • Частота вращения вала ном.: 30 об/мин
  • Перепад давления ном.: 24 МПа
  • Давление на входе макс.: 35 МПа
  • Крутящий момент ном.: 30 кН·м
  • Масса: 158 кг
  • Длина L: 790 мм

Особенности: Максимальная радиальная нагрузка на хвостовик вала – 100 кН. Максимальная осевая нагрузка – 150 кН. Минимальная частота вращения – 2 об/мин.

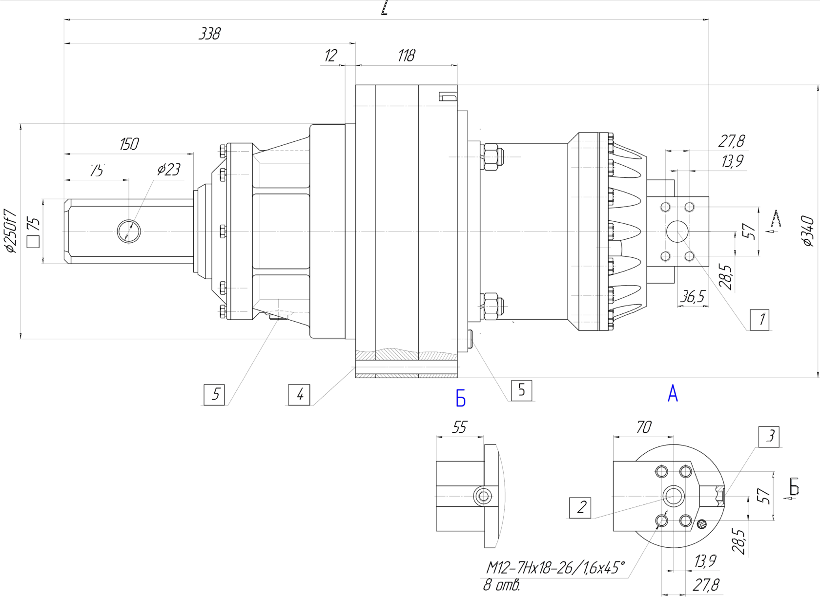
Размеры

Габаритные и присоединительные размеры ГМР.2001

Габаритные и присоединительные размеры

1,2 – Основные ввод/вывод гидромотора – 2 отв. Ø26;

3 – Дренаж гидромотора М12-7Нх16-27;

4 – Отв. крепления ГМР – 8 отв. на Ø315;

5 – Пробки контроля, слива и заправки масла в редуктор;

Направление вращения:

- Подача жидкости в отв.1 – правое;

- Подача жидкости в отв.2 – левое.

Наличие

249010, Калужская область, Боровский район, г.Боровск, ул. Московская, д.30, стр.15

Как купить

Для покупки товара в нашем интернет-магазине выберите интересующую позицию и нажмите кнопку «Связаться с нами».

В открывшейся форме укажите:

  • имя,
  • адрес электронной почты,
  • контактный телефон.

После получения заявки наш менеджер свяжется с вами в ближайшее время, уточнит детали заказа, ответит на вопросы, согласует условия оплаты и доставки. Уточнить наличие можно по номеру телефона 8 (800) 201-56-08.

Как купить

Доставка

Доставка осуществляется через транспортные компании по согласованию.

Мы организуем отправку в любой город России, обслуживаемый федеральными логистическими операторами.
Для грузов весом до 30 кг доступна доставка через СДЭК.
Более крупные отправления передаются федеральным перевозчикам сборных грузов.
Вы можете выбрать удобную для вас транспортную компанию.

Документация

Вы можете скачать техническую документацию на гидромотор-редуктор в формате PDF.

Скачать документацию (PDF)

Гарантия

Предприятие-изготовитель гарантирует исправность гидромотор-редуктора в течение 12-ти месяцев при наработке, не превышающей 1000 моточасов.

Связаться с нами