Характеристики

М1-4 (ГМР.1001.320)

  • Крутящий момент: 4300 Нм
  • Частота вращения: 72 об/мин
  • Расход масла: 115,2 л/мин
  • Давление: 20 МПа
  • Выходной вал: 75×75
  • Высота: 875 мм
  • Масса: 117 кг

М1-5 (ГМР.1001.400)

  • Крутящий момент: 5300 Нм
  • Частота вращения: 56 об/мин
  • Расход масла: 112 л/мин
  • Давление: 20 МПа
  • Выходной вал: 75×75
  • Высота: 875 мм
  • Масса: 118 кг

М1-7 (ГМР.1001.500)

  • Крутящий момент: 6700 Нм
  • Частота вращения: 46 об/мин
  • Расход масла: 115 л/мин
  • Давление: 20 МПа
  • Выходной вал: 75×75
  • Высота: 875 мм
  • Масса: 120 кг

М1-9 (ГМР.1001.630)

  • Крутящий момент: 8600 Нм
  • Частота вращения: 36 об/мин
  • Расход масла: 113,4 л/мин
  • Давление: 20 МПа
  • Выходной вал: 75×75
  • Высота: 875 мм
  • Масса: 122 кг

М1-11 (ГМР.1001.800)

  • Крутящий момент: 10500 Нм
  • Частота вращения: 28 об/мин
  • Расход масла: 112 л/мин
  • Давление: 20 МПа
  • Выходной вал: 75×75
  • Высота: 875 мм
  • Масса: 124 кг

М1-12 (ГМР.1001.1000)

  • Крутящий момент: 14250 Нм
  • Частота вращения: 24 об/мин
  • Расход масла: 120 л/мин
  • Давление: 20 МПа
  • Выходной вал: 75×75
  • Высота: 875 мм
  • Масса: 126 кг

Допустимые нагрузки:

Допустимая радиальная нагрузка на вал – 100 кН

Допустимая осевая нагрузка – 150 кН

Размеры

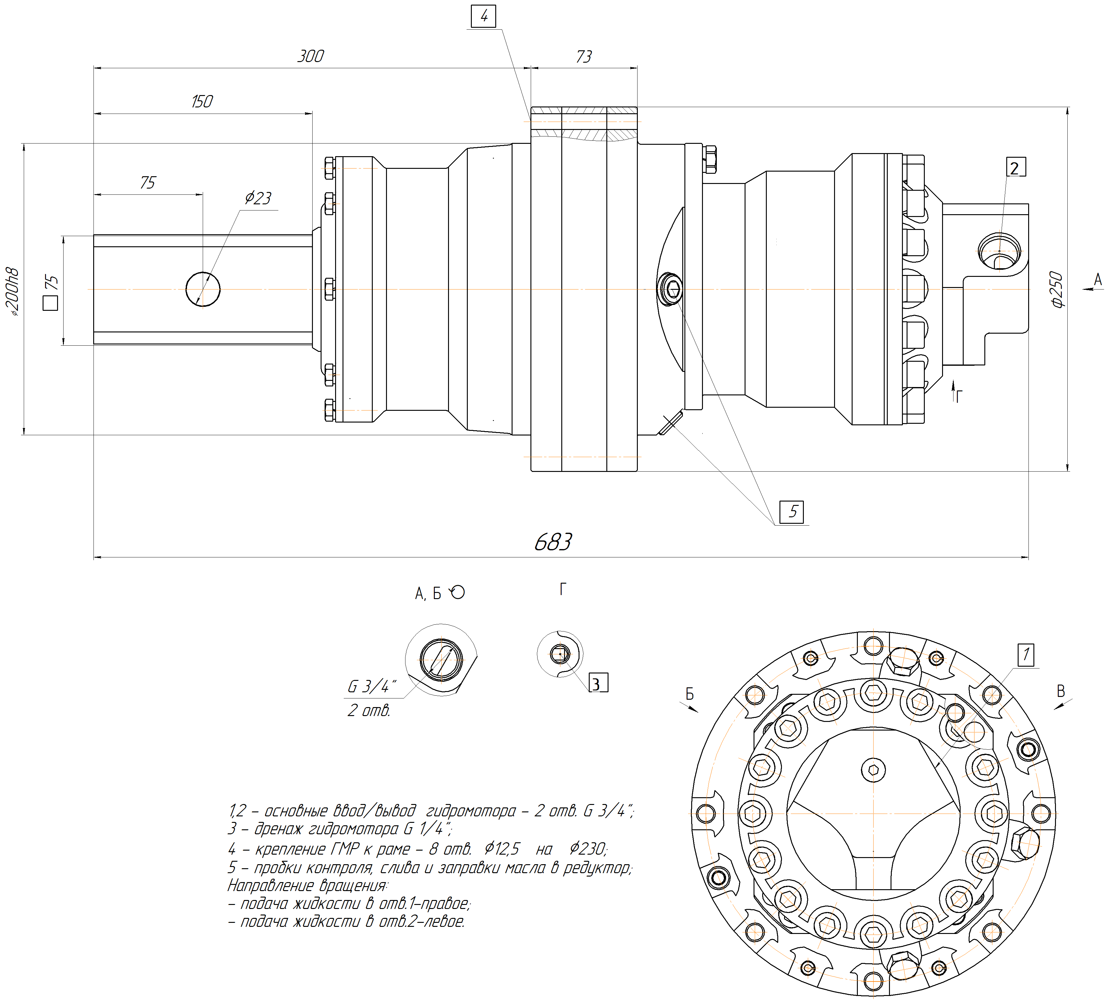
Габаритные и присоединительные размеры ГМР.1001

Габаритные и присоединительные размеры

1, 2 – основные ввод/вывод гидромотора – 2 отв. G 3/4";

3 – дренаж гидромотора – G 1/4";

4 – крепление ГМР – Ø12,2, 8 отверстий на Ø230;

5 – пробки контроля, слива и заправки масла в редуктор;

Направление вращения:

- подача жидкости в отв.1 – правое;

- подача жидкости в отв.2 – левое.

Наличие

249010, Калужская область, Боровский район, г.Боровск, ул. Московская, д.30, стр.15

Как купить

Для покупки товара в нашем интернет-магазине выберите интересующую позицию и нажмите кнопку «Связаться с нами».

В открывшейся форме укажите:

  • имя,
  • адрес электронной почты,
  • контактный телефон.

После получения заявки наш менеджер свяжется с вами в ближайшее время, уточнит детали заказа, ответит на вопросы, согласует условия оплаты и доставки. Уточнить наличие можно по номеру телефона 8 (800) 201-56-08.

Как купить

Доставка

Доставка осуществляется через транспортные компании по согласованию.

Мы организуем отправку в любой город России, обслуживаемый федеральными логистическими операторами.
Для грузов весом до 30 кг доступна доставка через СДЭК.
Более крупные отправления передаются федеральным перевозчикам сборных грузов.
Вы можете выбрать удобную для вас транспортную компанию.

Документация

Вы можете скачать техническую документацию на гидромотор-редуктор в формате PDF.

Скачать документацию (PDF)

Гарантия

Предприятие-изготовитель гарантирует исправность гидромотор-редуктора в течение 12-ти месяцев при наработке, не превышающей 1000 моточасов.

Связаться с нами