Характеристики

Вертикаль Д1-11

  • Рабочий объем (1 диапазон): 4000 см³/об.
  • Рабочий объем (2 диапазон): 800 см³/об.
  • Крутящий момент (1 диапазон): 10,5 кНм
  • Крутящий момент (2 диапазон): 2,2 кНм
  • Частота вращения (1 диапазон): 28 об/мин
  • Частота вращения (2 диапазон): 140 об/мин
  • Перепад давления: 20 МПа
  • Длина L: 826 мм
  • Масса: 86,5 кг

Вертикаль Д1-12

  • Рабочий объем (1 диапазон): 5000 см³/об.
  • Рабочий объем (2 диапазон): 1000 см³/об.
  • Крутящий момент (1 диапазон): 14,25 кНм
  • Крутящий момент (2 диапазон): 3,0 кНм
  • Частота вращения (1 диапазон): 24 об/мин
  • Частота вращения (2 диапазон): 120 об/мин
  • Перепад давления: 20 МПа
  • Длина L: 845 мм
  • Масса: 90 кг

Допустимые нагрузки:

Допустимая радиальная нагрузка на вал – 100 кН

Допустимая осевая нагрузка – 150 кН

Размеры

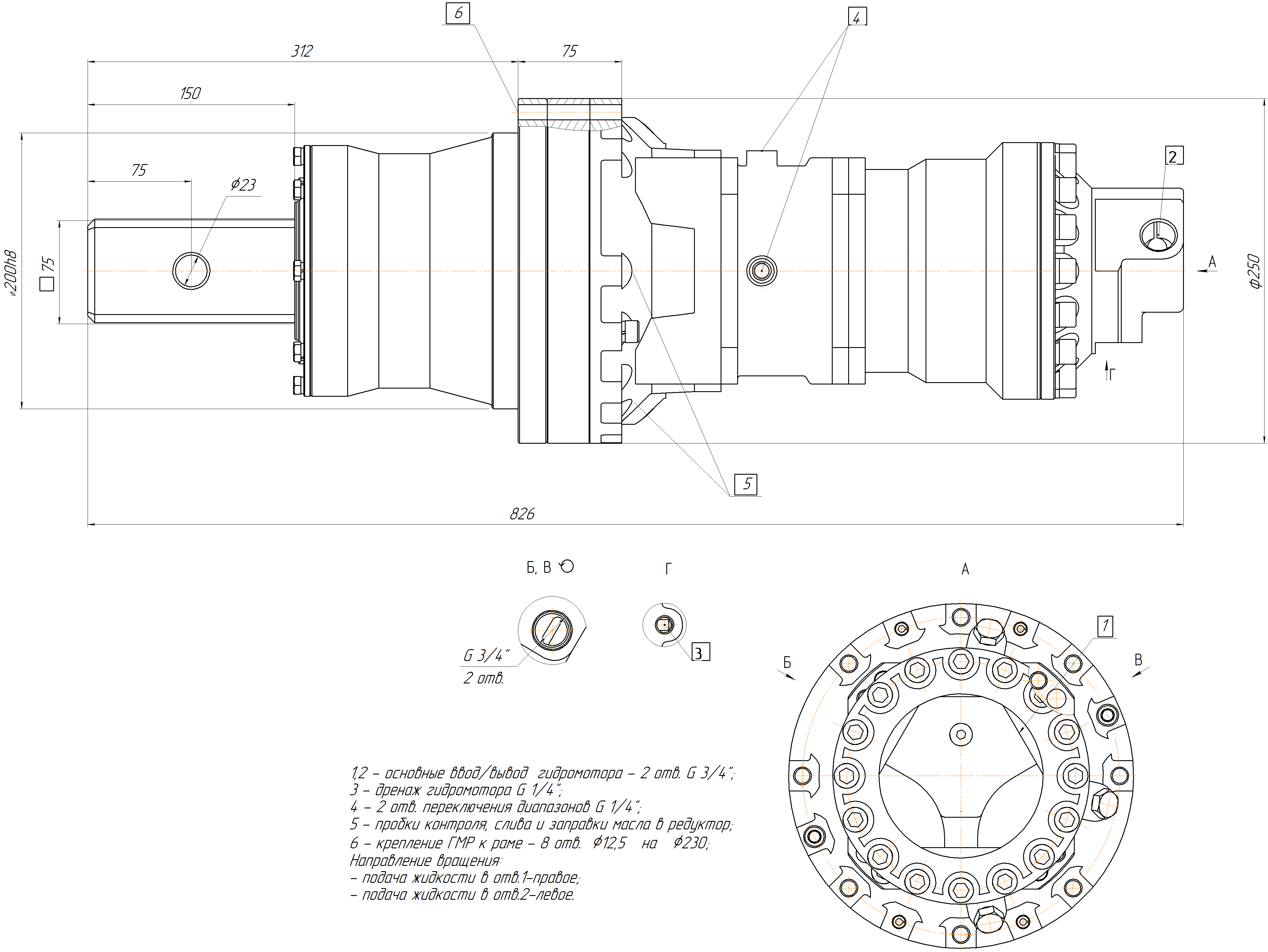
Габаритные и присоединительные размеры Вертикаль Д1

Габаритные и присоединительные размеры

1, 2 – основные ввод/вывод гидромотора – 2 отв. G 3/4";

3 – дренаж гидромотора – G 1/4";

4 – отверстия переключения диапазонов – 2 отв. G 1/4";

5 – пробки контроля, слива и заправки масла в редуктор;

6 – крепление ГМР к раме – 8 отв. Ø12,5 на Ø230;

Направление вращения:

- подача жидкости в отв.1 – правое;

- подача жидкости в отв.2 – левое.

Наличие

249010, Калужская область, Боровский район, г.Боровск, ул. Московская, д.30, стр.15

Как купить

Для покупки товара в нашем интернет-магазине выберите интересующую позицию и нажмите кнопку «Связаться с нами».

В открывшейся форме укажите:

  • имя,
  • адрес электронной почты,
  • контактный телефон.

После получения заявки наш менеджер свяжется с вами в ближайшее время, уточнит детали заказа, ответит на вопросы, согласует условия оплаты и доставки. Уточнить наличие можно по номеру телефона 8 (800) 201-56-08.

Как купить

Доставка

Доставка осуществляется через транспортные компании по согласованию.

Мы организуем отправку в любой город России, обслуживаемый федеральными логистическими операторами.
Для грузов весом до 30 кг доступна доставка через СДЭК.
Более крупные отправления передаются федеральным перевозчикам сборных грузов.
Вы можете выбрать удобную для вас транспортную компанию.

Документация

Вы можете скачать техническую документацию на гидромотор-редуктор в формате PDF.

Скачать документацию (PDF)

Гарантия

Предприятие-изготовитель гарантирует исправность гидромотор-редуктора в течение 12-ти месяцев при наработке, не превышающей 1000 моточасов.

Связаться с нами